1.交替工作天然气/轻油双燃料燃烧器。
2.双段渐近式/比例式/电子式运行。
3.空气和燃气在燃烧头内混合,机械式压力雾化。
4.通过调节燃烧空气和燃烧头,可以获得最佳的燃烧参数。
5.无须把燃烧器从锅炉上拆下,就可直接取下混合装置和雾化装置,维修保养方便。
6.渐进/比例式用伺服电动机来进行第一、二段最小和最大空气流量调节;燃烧器暂停时,风门关闭以减少炉内热量损失。
7.电子式用三个伺服电动机分别控制燃气、燃油和空气的比例调节。
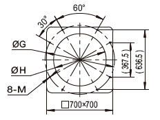
8.采用一个法兰和耐高温隔热垫与锅炉联接固定。
9.带流量调节装置的燃烧空气进口。
10.燃烧器空气进口采用消音设计。
11.耐高温的不锈钢燃烧头火焰盘。
12.独立电机带动油泵。
13. UV紫外线光电管检测火焰。
14.标准配置的电气防护等级IP40。
产品总汇 | Products
BTN1200/1500GLC/ GLE渐进式/比例调节/电子比调式轻油/燃气双燃料燃烧器








